Part Number : TPS630250
Function : TPS63025x High Current, High Efficiency Single Inductor Buck-Boost Converter / 20-pin WCSP package measuring 1.766 mm x 2.086mm.
Manufacturer : Texas Instruments
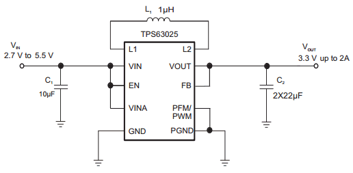
Pinout :
Description
The TPS63025 are high efficiency, low quiescent current buck-boost converters suitable for application where the input voltage is higher or lower than the output. Output currents can go as high as 2A in boost mode and as high as 4A in buck mode. The maximum average current in the switches is limited to a typical value of 4A.
The TPS63025 regulates the output voltage over the complete input voltage range by automatically switching between buck or boost mode depending on the input voltage ensuring a seamless transition between modes.
Datasheet PDF Download
Other datasheets in the file :
TPS630250,TPS630250YFFR,TPS630250YFFT,TPS630251,TPS630251YFFR

