Part Number : TPS611
Function : TOSHIBA Phototransistor / Silicon NPN Epitaxial Planar
Manufacturer : Toshiba
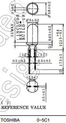
Pinout :
Description
* Photoelectric Counter
* Various Kinds Of Readers
* Position Detection
Official Site : http://www.semicon.toshiba.co.jp/info/lookup.jsp?pid=TPS611(F)&lang=en


