Part Number : TDA2025B
Function :STEREO AUDIO AMPLIFIER
Manufacturer : STMicroelectronics
Pinout :
Description
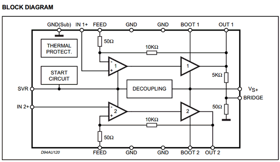
The TEA2025B/D is a monolithic integrated circuit in 12+2+2 Powerdip and 12+4+4 SO, intended for use as dual or bridge power audio amplifier port able radio cassette players.
Datasheet PDF Download
Other datasheets in the file : TDA2025B, TEA2025, TEA2025B, TEA2025D, TEA2025D013TR

