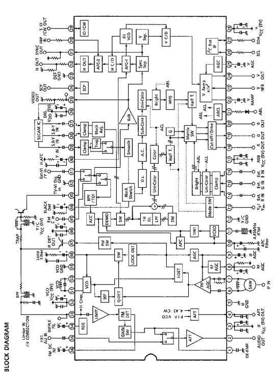
Part Number : TB1238N
Function :PAL / NTSC 1 CHIP (IF + VCD PROCESSOR) IC
Manufacturer : Toshiba
Pinout :
Description
TB1238N is the IF & Video processing IC for PAL / NTSC color TV system.
This IC demodulates PAL / NTSC PIF, SIF and composite video signal to R/G/B primary colors and Audio signals.


