Part Number : TA8659AN
Function : Multi-Color Video-Chroma-Deflection / DIP 64 Pin
Manufacturer : Toshiba
Pinout :
Description
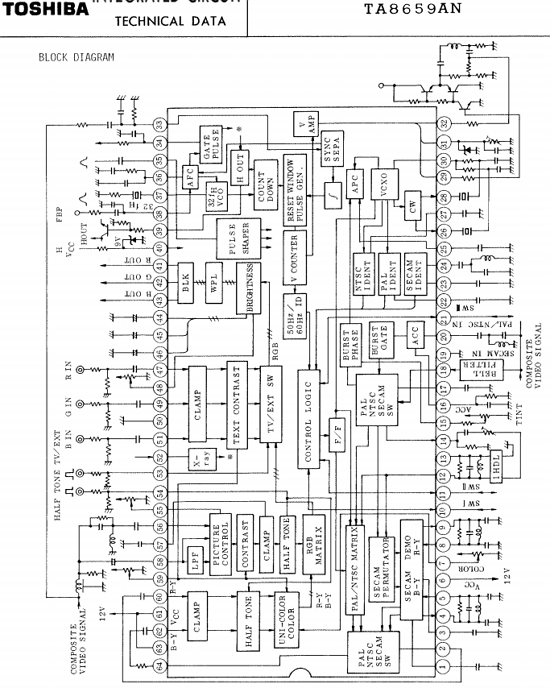
The TA8659AN is an NTSC/PAL/SECAM video-chroma-deflection sub-system with the teletext interface circuit.
The TA8659AN includes all of the fuctions required to realize a multi-color CTV in conjuction with a PIF/SIF IC, in a 64 leads shrink type dual-in-line plastic package.


