Part Number : STR-X6750F
Function : Power IC for Quasi-Resonant Type Switching Power Supply
Manufacturer : Sanken Electric co.,ltd.
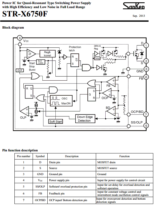
Pinout :
Description
The STR-X6750F is power IC for quasi-resonant type switching power supply, incorporating a power OSFET and a controller IC. The product achieves high efficiency and low noise power supply systems by the quasi-resonant operation.


