Part Number : STR-G5653
Function : Power Switching Regulator
Manufacturer : Sanken Electric co.,ltd.
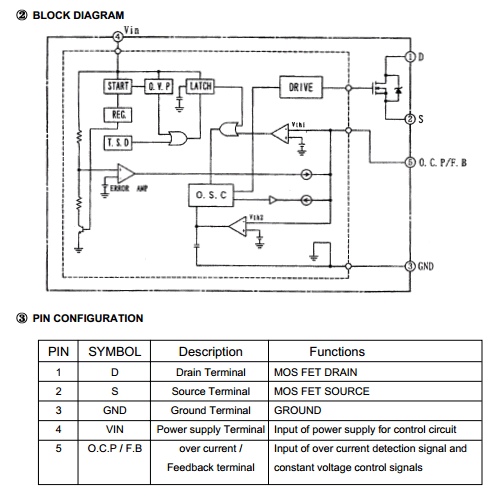
Pinout :
Description
STR-G 5653 is a hybrid IC with a built-in MOS FET and control IC, designed for a primary side regulation.
* MANY PROTECTION FUNCTIONS
* OVP(over voltage protection circuit)
* OCP(over current protection circuit)
* TSD(Thermal shutdown circuit)


