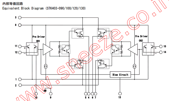
Part Number : STK403-130
Function : STK403-130 / 2 channels AF power amplifier / Sanyo / 15 Pins
Manufacturer : SANYO -> Panasonic
Pinout :
Description
Datasheet PDF Download
Other datasheets in the file :
STK403-090,STK403-100,STK403-120,STK403-130


