Part Number : SI-3122V
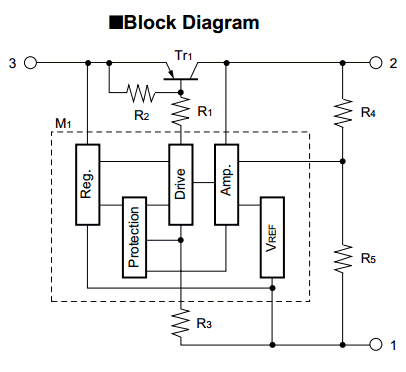
Function : 3-Terminal/ Low Dropout Voltage Dropper Type
Manufacturer : Sanken Electric co.,ltd.
Pinout :
Description
• TO-3P package 3-terminal regulator
• Output current: 2.0A
• Low dropout voltage: VDIF≤1V (at IO=2.0A)
• Built-in foldback overcurrent protection circuit


Datasheet PDF Download
Other datasheets in the file :
3052V,3122V,3152V,SI-3052V,SI-3122V
