Part Number : SF1601G
Function : 16A SUPER-FAST GLASS PASSIVATED RECTIFIER
Manufacturer : Won-Top Electronics
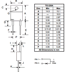
Pinout :
Description
Features
Glass Passivated Die Construction
Super-Fast Switching for High Efficiency
High Current Capability
Low Reverse Leakage Current
High Surge Current Capability
Plastic Material has UL Flammability Classification 94V-O
Mechanical Data
Case: Molded Plastic
Terminals: Plated Leads Solderable per
MIL-STD-202, Method 208
Polarity: See Diagram
Weight: 2.24 grams (approx.)
Mounting Position: Any
Marking: Type Number

Datasheet PDF Download
Other datasheets in the file :
SF1601G,SF1602G,SF1603G,SF1604G,SF1605G
