Part Number : SBL1630PT
Function : 30V; 16A schottky barrier rectifier. For use in low voltage, high frequency inverters, free wheeling and polarity protection applications
Manufacturer : Diodes Incorporated.
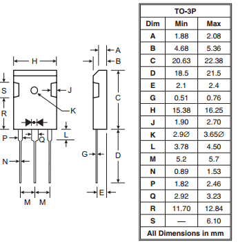
Pinout :
Description
Features
Schottky Barrier Chip
Guard Ring Die Construction for Transient Protection
Low Power Loss, High Efficiency
High Surge Capability
High Current Capability and Low Forward Voltage Drop
For Use in Low Voltage, High Frequency Inverters, Free
Wheeling, and Polarity Protection Application
Lead Free Finish, RoHS Compliant
Mechanical Data
Case: TO-3P
Case Material: Molded Plastic. UL Flammability
Classification Rating 94V-0
Moisture Sensitivity: Level 1 per J-STD-020C
Terminals: Finish – Bright Tin. Plated Leads Solderable per MIL-STD-202, Method 208
Polarity: As Marked on Body
Ordering Information: See Last Page
Marking: Type Number
Weight: 5.6 grams (approximate)
Datasheet PDF Download
Other datasheets in the file :
SBL1630PT,SBL1635PT,SBL1640PT,SBL1645PT,SBL1650PT
