Part Number : S6B0717X01-XXXN
Function :55 COM / 100 SEG DRIVER & CONTROLLER FOR STN LCD
Manufacturer : Samsung
Pinout :
Description

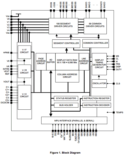
The S6B0717 is a driver & controller LSI for graphic dot-matrix liquid crystal display systems. It contains 55 common and 100segment driver circuits. This chip is connected directly to a microprocessor, accepts serial or 8-bit parallel display data and stores in an on-chip display data RAM of 65x 100bits.
It provides a high-flexible display section due to 1-to-1 correspondence between on-chip display data RAM bits and LCD panel pixels. And it performs display data RAM read/write operation with no external operating clock to minimize power consumption.
In addition, because it contains power supply circuits necessary to drive liquid crystal, itis possible to make a display system with the fewest components.

Datasheet PDF Download
Other datasheets in the file :
S6B0717X01-B0CY, S6B0717X01-B0CZ, S6B0717X01-xxX0, S6B0717X01-xxXN
