Part Number : O50N50
Function : 10V Drive Nch MOS FET
Manufacturer : ROHM Semiconductor
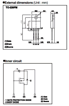
Pinout :
Description
Silicon N-channel MOSFET
Features
1) Low on-resistance.
2) Low input capacitance.
3) Excellent resistance to damage from static electricity.

