Part Number : NJU7061
Function : Low input offset voltage C-MOS operational amplifier
Manufacturer : Japan Radio Corporation
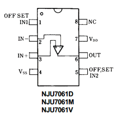
Pinout :
Description
The NJU7061,62 and 64 are single, dual and quad C-MOS Operational Amplifiers operated on a single-power-supply, low voltage and low operating current.
The input offset voltage is lower than 2mV,and the input bias current is as low as less than 1pA,consequently the very small signal around the ground level can be amplified.
The minimum operating voltage is 3V and the output stage permits output signal to swing between both of the supply rails.
Datasheet PDF Download
Other datasheets in the file :
NJU7061,NJU7061D,NJU7061M,NJU7061V,NJU7062
