Part Number : MM74HC00N
Function : Quad 2-Input NAND Gate
Manufacturer : Fairchild Semiconductor
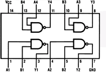
Pinout :

Description
Features
■Typical propagation delay: 8ns
■Wide power supply range: 2V–6V
■Low quiescent current: 20μA maximum (74HC Series)
■Low input current: 1μA maximum
■Fanout of 10 LS-TTL loads
General Description
The MM74HC00 NAND gates utilize advanced silicongate CMOS
similar to LS-TTL gates with the low power consumption of standard CMOS integrated circuits. All gates have buffered outputs. All devices have high noise immunity and the ability to drive 10 LS-TTL loads. The 74HC logic family is functionally as well as pin-out compatible with the standard 74LS logic family. All inputs are protected from damage due to static discharge by internal diode clamps to V CC and ground.
MM74HC00N Datasheet PDF Download

Other datasheets in the file : MM74C00M, MM74C00MX, MM74HC00, MM74HC00CW
