Part Number : MC34060A
Function : SMPS Controller
Manufacturer : ON Semiconductor
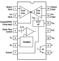
Pinout :
Description
The MC34060A is a low cost fixed frequency, pulse width modulation control circuit designed primarily for single−ended SWITCHMODE power supply control.
The MC34060A is specified over the commercial operating temperature range of 0°to +70°C, and the MC33060A is specified over an automotive temperature range of −40°to +85°C.
Features
•Complete Pulse Width Modulation Control Circuitry
•On−Chip Oscillator with Master or Slave Operation
•On−Chip Error Amplifiers
•On−Chip 5.0 V Reference, 1.5% Accuracy
•Adjustable Dead−Time Control
•Uncommitted Output Transistor Rated to 200 mA Source or Sink
•Undervoltage Lockout
•These are Pb−Free and Halide−Free Devices
Datasheet PDF Download
Other datasheets in the file :
MC33060ADG,MC33060ADR2G,MC33060APG,MC34060A,MC34060ADG
