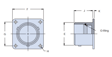
Part Number : M81511
Function : Dummy Stowage Receptacle Bayonet Coupling
Manufacturer : Unspecified
Pinout :
Description
MATING CONNECTOR
AS81511 Series 2
Datasheet PDF Download
Other datasheets in the file :
M81511,M81511/19,M81511/19-141
