Part Number : M5248P
Function : 4-UNIT 1.5A DARLINGTON CURRENT DRIVER
Manufacturer : MITSUBISHI ELECTRIC
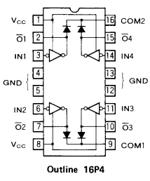
Pinout :
Description
The M5248P/M5286P, 4-channel sink driver, consists of 4 PNP and 14 NPN transistors to from high current gain driver pairs.

Datasheet PDF Download
Other datasheets in the file :
M5248P
