Part Number : LTV817C
Function : High Density Mounting Type Photocoupler
Manufacturer : LiteOn Technology
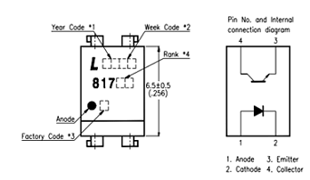
Pinout :
Description
Applications
1. Computer terminals.
2. System appliances, measuring instruments.
3. Registers, copiers, automatic vending machines.
4. Electric home appliances such as fan heaters, etc.
5. Signal transmission between circuits of different potentials and impedances.
Features
Current transfer ratio
(CTR : MIN. 50% at IF=5mA, VCE=5V)
High input-output isolation voltage:
(VISO : 5,000Vrms)
Compact dual-in-line package
LTV-817 : 1-channel type
LTV-827 : 2-channel type
LTV-847 : 4-channel type
Options available :
-Leads with 0.4″(10.16mm)spacing (M Type)
-Leads bends for surface mounting(S Type)
-Tape and Reel of Type I for SMD(Add”-TA”Suffix)
-Tape and Reel of Type II for SMD(Add”-TA1″Suffix)
-VDE 0884 approvals (Add”-V”Suffix)
LTV817C Datasheet PDF Download
Other datasheets in the file : LTV-817, LTV-817M, LTV-817S, LTV-817S-TA

