Part Number : LM1458
Function : Dual Operational Amplifier
Manufacturer : Fairchild Semiconductor
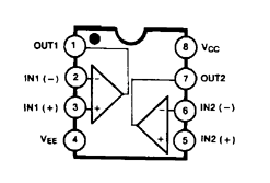
Pinout :
Description
The LM1458/LM1458C series are dual general purpose operational amplifiers, having short circuits protected and require no external components for frequency compensation. High common mode voltage range and absence of “latch up” make the LM1458 ideal for use as voltage followers. The high gain and wide range of operating voltage provides superior performance in integrator, summing amplifier and general feedback applications.
LM1458 Datasheet PDF Download
Other datasheets in the file : LM1458C, LM1458CM, LM1458CN, LM1458M




