Part Number : LA7674
Function : Color TV singl-chip signal processor
Package : DIP 52 Pin Type
Manufacturer : SANYO ( Panasonic )
Pinout :
Description
The LA7674 improves upon the black-level, horizontaljitter, switch-on drift performance of the single-chip LA7672 used to date. Also a single-chip IC, the LA7674 is for color TVs based on the NTSC (National Television System Committee) system with an on-chip circuit for all VIF, SIF, video, chroma and deflection signal processing.
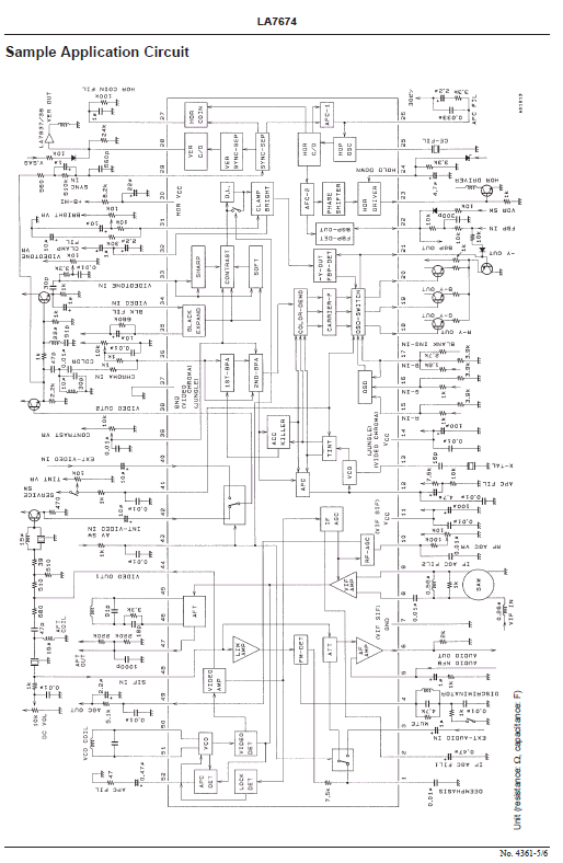
Application Circuit
Functions and Features
[VIF]
• PLL detection (high video and audio quality)
• High-gain VIF amplifier
• High speed AGC
• On-chip APC time constant switch
[SIF]
• Simultaneous sound IN/OUT
• Video/audio simultaneous muting, or audio-only muting possible]
[OSD]
• RGB 3 input
• RGB linear amplifier (– 6dB input: 2V to 5V)
• Fast blanking (B input combined use)
[Chroma]
• On-chip ACC filter, On-chip killer filter, Killer-circuit hysteresis operation
• On-chip carrier filter
[Video]
• Black enhancement
Other datasheets in the file : A7674


