Part Number : LA3600
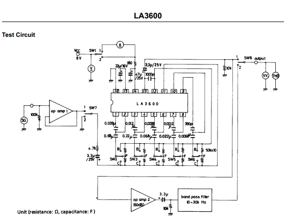
Function : Monolithic Linear IC / 5-band graphic equalizer / SANYO : DIP16
Manufacturer : SANYO -> Panasonic
Pinout :
Description
• On-chip one operational amplifier.
• 5-band graphic equalizer for one channel can be formed easily by externally connecting capacitors and variable resistors which fix fo(resonance frequency).
• Series connection of two LA3600’s makes multiband (6 to 10 bands) available.
• Highly stable to capacitive load.


