Part Number : KIA278R35PI
Function : 4 TERMINAL 2A OUTPUT LOW DROPOUT VOLTAGE REGULATOR
Manufacturer : KEC
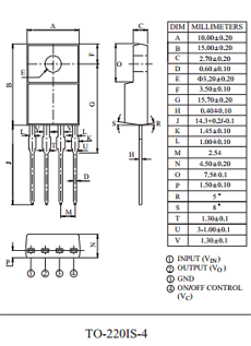
Pinout :
Description
The KIA278R Series are Low Dropout Voltage Regulator suitable for various electronic equipments.
It provides constant voltage power source with TO-220-4 terminal lead full molded PKG.
The Regulator has multi function such as over current protection, overheat protection and ON/OFF control.
Datasheet PDF Download
Other datasheets in the file :
KIA278R25,KIA278R25PI,KIA278R33,KIA278R33PI,KIA278R35

