Part Number : KBPC5010
Function :KBPC10005-G Thru. KBPC5010-G Series
Manufacturer : ComChip
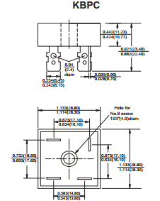
Pinout :
Description
Reverse V oltage: 50 to 1000V
Forward Current: 10/15/25/35/50A
– Surge overload-240~500 Amperes peak
– Low forward voltage drop
– Electrically isolated base -2000 V olts
– Materials used carries U/Lrecognition
Datasheet PDF Download
Other datasheets in the file : KBPC1010, KBPC2510, KBPC3510, KBPC5010, KBPC1510
