Part Number : K8A500
Function : TK8A50D , K8A50D / TOSHIBA Field Effect Transistor Silicon N Channel MOS Type
Manufacturer : Toshiba
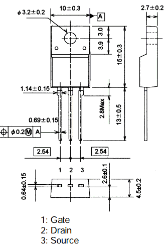
Pinout :
Description
Part Number K8A500 -> Correct Part Number K8A50D, Full Part Number TA8A50D
• Low drain-source ON-resistance: RDS (ON)= 0.7 Ω(typ.)
• High forward transfer admittance: |Yfs| = 4.0 S (typ.)
• Low leakage current: IDSS= 10 μA (max) (VDS= 500 V)
• Enhancement mode: Vth= 2.0 to 4.0 V (VDS= 10 V, ID= 1 mA)



