Part Number : K30A
Function : 2SK30ATM / K30A FET Silicon N Channel Juction Type
Manufacturer : Toshiba
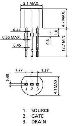
Pinout :
Description
* Low Noise Pre-Amplifier, Tone Control Amplifier And DC-AC
* High Input Impedance Amplifier Circuit Applicatins.
Datasheet PDF Download
Other datasheets in the file :
2SK30,2SK30A,2SK30ATM,K30A

