Part Number : K2724
Function : SWITCHING N-CHANNEL POWER MOS FET
Manufacturer : Renesas Electronics
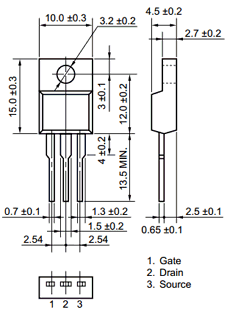
Pinout :
Description
This product is N-Channel MOS Field Effect Transistor designed for high current switching applications.

1pico = 0.000000000001
Part Number : K2724
Function : SWITCHING N-CHANNEL POWER MOS FET
Manufacturer : Renesas Electronics
Pinout :
This product is N-Channel MOS Field Effect Transistor designed for high current switching applications.
