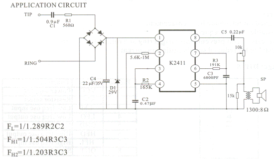
Part Number : K2411
Function : Telephone Tone Ringer / DIP 8 pin
Manufacturer : Unspecified
Pinout :
Description
Features
* Designed for telephone bell replacement
* Adjustable 2-tone frequency
* Hysteresis circuit prevents false triggering and rotary dial “Chirps”
* Adjustable for reduced supply initiation current


