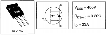
Part Number : IRFP360
Function : HEXFET Power MOSFET
Manufacturer : International Rectifier
Pinout :
Description
Third Generation HEXFETs from international Rectifier Provide the designer with the best combination of fast switching, ruggedized device design, low on-resistance and cost-effectiveness.
Feature
* Dynamic dv/dt Rating
* Repetitive Avalanche Rated
* Isolated Central Mouting Hole
* Fast Switching
* Ease of Paralleling
* Simple Drive Requiremnets

