Part Number : HD74HC147
Function : HD74HC147 / 10-to-4-line Priority Encoder / Hitachi
Manufacturer : Hitachi -> Renesas Electronics
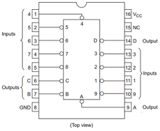
Pinout :
Description
The HD74HC147 features priority encoding of the inputs to ensure that only the highest order data line is encoded. Nine input lines are encoded to a four line BCD output. The implied decimal zero codition requires no input condition as zero is encoded when all nine data lines are at a high logic level. All data inputs and outputs are active at the low logic level.

