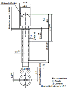
Part Number : GL4PR8
Function :4mm,cylinder type,colored diffusion LED lamp for indicator
Manufacturer : Sharp Electronics
Pinout :
Description
Datasheet PDF Download
Other datasheets in the file : GL4EG8, GL4HD8, GL4HS8, GL4HY8, GL4KG8
1pico = 0.000000000001
Part Number : GL4PR8
Function :4mm,cylinder type,colored diffusion LED lamp for indicator
Manufacturer : Sharp Electronics
Pinout :
Other datasheets in the file : GL4EG8, GL4HD8, GL4HS8, GL4HY8, GL4KG8