Part Number : EW13B30
Function : EW13B30GLY 13B30(LED TYPES)
Manufacturer : Unspecified
Pinout :
Description
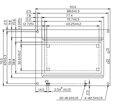
* Number of dots : 128W * 64H Dots
* Module Size : 93.0W * 70.0H * 14.0D(max) mm
* Effective Area : 70.7W * 38.8H mm
* Active Area : 65.25W * 32.61H mm
* Dot size : 0.48W * 0.48H mm
* Dot Picth : 0.51W * 0.51H mm
* LCD TYPE
* BackLight : LED, Color : Yellow-Green
Datasheet PDF Download
Other datasheets in the file :
EW13B30,EW13B30GLY,EW13B30LED
