Part Number : ER1002FCT
Function : ISOLA TION SUPERFAST RECOVERY RECTIFIERS / VOL T AGE – 50 to 400 V olts CURRENT – 10.0 Amperes
Manufacturer : PANJIT INTERNATIONAL
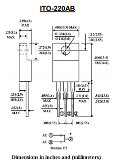
Pinout :
Description
* Plastic package has Underwriters Laboratory
Flammability Classif ication 94V-O utilizing
Flame Retardant Epoxy Molding Compound
* Exceeds environmental standards of MIL-S-19500/228
* Low power loss, high efficiency
* Low f orward voltage, high current capability
* High surge capacity
* Super fast recovery times, high voltage
* Epitaxial chip construction
Datasheet PDF Download
Other datasheets in the file :
ER1000FCT,ER1001AFCT,ER1001FCT,ER1002FCT,ER1003FCT
