Part Number : DS3486MX
Function : Quad RS-422, RS-423 Line Receiver
Manufacturer : Texas Instruments
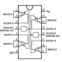
Pinout :
Description
DESCRIPTION
Texas Instruments’ quad RS-422, RS-423 receiver features four independent receivers which comply with EIA Standards for the electrical characteristics of balanced/unbalanced voltage digital interface circuits. Receiver outputs are 74LS compatible, TRI-STATE
structures which are forced to a high impedance state when the appropriate output control pin reaches a logic zero condition. A PNP device buffers each output control pin to assure minimum loading for either logic one or logic zero inputs. In addition, each
receiver has internal hysteresis circuitry to improve noise margin and discourage output instability for slowly changing input waveforms.
FEATURES
• Four Independent Receivers
• TRI-STATE Outputs
• Internal Hysteresis −140 mV (typ)
• Fast Propagation Times −19 ns (typ)
• TTL Compatible Outputs
• 5V Supply
• Pin Compatible and Interchangeable with MC3486
Datasheet PDF Download
Other datasheets in the file :
DS3486M,DS3486M/NOPB,DS3486MX,DS3486MX/NOPB
