Part Number : D1082UK
Function : ROHS COMPLIANT METAL GATE RF SILICON FET
Manufacturer : Semelab – > TT Electronics plc
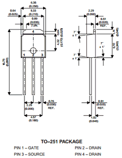
Pinout :
Description
GOLD METALLISED MULTI-PURPOSE SILICON DMOS RF FET 4W – 28V – 200MHz SINGLE ENDED
FEATURES
SIMPLIFIFD AMPLIFIER DESIGN
SUITABLE FOR BROAD BAND APPLICATION
LOW Crss
SIMPLE BIAS CIRCUITS
LOW NOISE
HIGH GAIN -13dB MINMUM
SUFACE MOUNT

