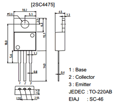
Part Number : C4475
Function : 1800V/3mA High-Voltage Amplifier
Manufacturer : SANYO -> Panasonic
Pinout :
Description
· High breakdown voltage (VCEOmin=1800V).
· Small Cob(Cobtyp=1.4pF).
· Wide ASO.
· High reliability (Adoption of HVP process).
Reference PDF : http://datasheet.ecgoo.net:81/2/2S/2SC4475.pdf

