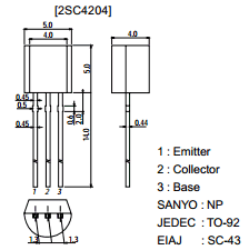
Part Number : C4204
Function : NPN epitaxial planar silicon transistor, high-h(FE), AF amp application
Manufacturer : SANYO -> Panasonic
Pinout :
Description
· Adoption of MBIT process.
· High DC current gain (hFE=800 to 3200).
· Large current capacity (IC=0.7A).
· Low collector-to-emitter saturation voltage (V CE(sat)≤0.5V).
· High VEBO(VEBO≥15V).


