Part Number : C3631
Function : NPN SILICON TRIPLE DIFFUSED TRANSISTOR
Manufacturer : Renesas Electronics
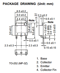
Pinout :
Description
The 2SC3631-Z is designed for High Voltage Switching, especially in Hybrid Integrated Circuits.
Datasheet PDF Download
Other datasheets in the file :
2SC3631,2SC3631-Z,C3631,C3631-Z
