C2938 Schematic

Part Number : C2938

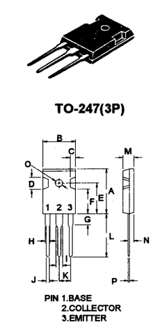
Function : NPN 10A Silicon Power Transistors 400V 100Watts / TO-247 3Pin Package

Manufacturer : Mospec Semiconductor

Pinout :

C2938 datasheet

Description

NPN 2SC2938

 

Datasheet PDF Download

C2938 pdf

Other datasheets in the file :
2SC2938,C2938
Datasheet PDF

This entry was posted in Uncategorized. Bookmark the permalink.