Part Number : C2752
Function : NPN transistor for low power switching regulator, DC-DC converter and high voltage switch
Manufacturer : NEC => Renesas Technology
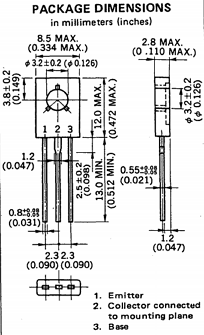
Pinout :
Description

The 2SC2752 is suitable for Low Power Switching regulator, DC-DC converter and High Voltage Swtitch.
* High Breakdown Voltage.
* Low Collector Saturation Voltage.
* High Speed Switching.
* Complementary to the NEC 2SA1156 PNP Trasisotor.


