Part Number : C2036
Function : C2036 / 2SC2036 / Silicon NPN Epitaxial Type(PCT Process)
Manufacturer : Toshiba
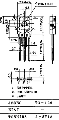
Pinout :
Description
* 27Mhz RF Power Amplifier Applications
* Recomended for 1W Mobile Radio Output Stage and Driver Stage of 4W Transmitter.


