Part Number : BLV21
Function : NPN SILICON RF POWER TRANSISTOR / Pg = 10 dB at 15 W/175 MHz
Manufacturer : Advanced Semiconductor
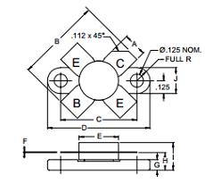
Pinout :
Description
The ASI BLV21is Designed for Class C, 28 V High Band Applications up to 175 MHz.
IC 1.75 A
VCEO 35 V
VCES 65 V
VEBO 4.0 V
PDISS 36 W @ TC = 25 °C
TJ -65 °C to +200 °C
TSTG -65 °C to +150 °C
θJC 4.8 °C/W

