Part Number : BCM4330
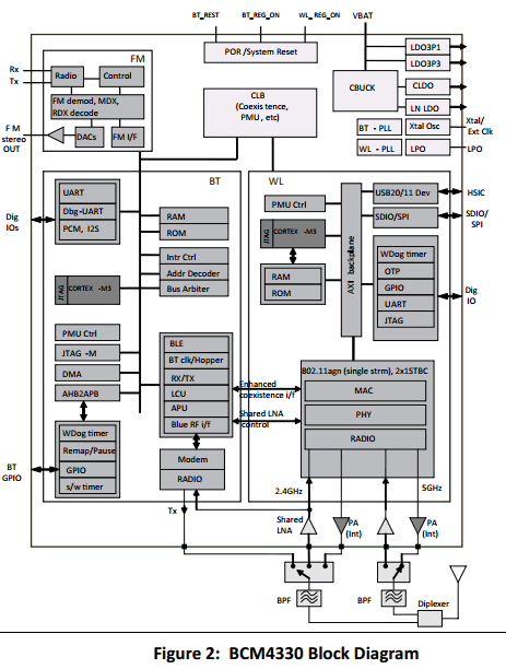
Function :Single Chip IEEE 802.11 a/b/g/n MAC/Baseband/Radio with Integrated Bluetooth 4.0 + HS and FM Transceiver
Manufacturer : Broadcom Corporation
Image :
Description
The Broadcom BCM4330 single chip device provides the highest level of integration for a mobile or handheld wireless system, with integrated IEEE 802.11 a/b/g and single-stream 802.11 n (MAC/baseband/radio), Bluetooth 4.0+HS, and FM radio receiver and transmitter. It includes on-chip 2.4GHz and 5 GHz WLAN power amplifiers that meet the output power requirements for most handheld systems while permitting and an optional external power amplifier for higher output power applications, if required.

Official Homepage : https://www.broadcom.com/
BCM4330 Datasheet PDF Download
Other datasheets in the file : BCM4330FKUBG, BCM4330FKWBG, BCM4330GKUBG

