Part Number : BC847BPN
Function : 45 V, 100 mA NPN/PNP general-purpose transistor
Manufacturer : Philips Electronics
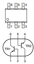
Pinout :
Description
NPN/PNP general-purpose transistor pair in a very small SOT363 (SC-88)
Surface-Mounted Device (SMD) plastic package.
♦Low collector capacitance
♦Low collector-emitter saturation voltage
♦Closely matched current gain
♦Reduces number of components and board space
♦No mutual interference between the transistors

