Part Number : BA7149F
Function : Electronic viewfinder driver
Manufacturer : ROHM Semiconductor
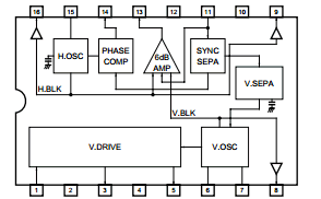
Pinout :
Description
Description
The BA7149F is an electronic viewfinder driver for video cameras. It separates the synchronous signal from the input
video signal, and outputs the vertical deflection drive output and horizontal deflection signals. HD and VD output sig
nals with guaranteed phase difference are also provided for on-screen displays (OSD). The differences between the
BA7149F and the BA7148F are the horizontal blanking, horizontal AFC output, HD output phase and pulse width.
•Features
1) Operates off a 5V power supply.
2) Built-in vertical deflection circuit.
3) Built-in wide-bandwidth amplifier.
4) Built-in HD and VD output terminals.
5) Few attached components required.
6) SOP 16pin package.
7) Compatible with 10µsec flyback pulses.

