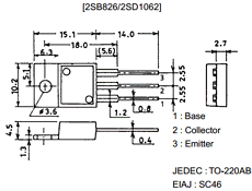
Part Number : B826
Function : PNP epitaxial planar silicon transistor, 50V/12A, switching application
Manufacturer : SANYO -> Panasonic
Pinout :
Description
* Relay drivers, high-speed inverters, converters, and other general high-current switching applications.
* Low-saturation collector-to-emitter voltage :
VCE(sat)=–0.5V (PNP), 0.4V (NPN) max.
* Wide ASO leading to high resistance to breakdown.


