Part Number : AR0140AT3C00XUEA0-E
Function : 1/4-Inch Digital Image Sensor
Manufacturer : Unspecified
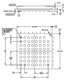
Pinout :
Description
Aptina’s AR0140AT is a 1/4-inch CMOS digital image sensor with an active-pixel array of 1280Hx800V. It captures images in either linear or high dynamic range modes, with a rolling-shutter readout.
It includes sophisticated camera functions such as in-pixel binning, windowing and both video and single frame modes. It is designed for both low light and high dynamic range scene performance. It is programmable through a simple two-wire serial interface.
Datasheet PDF Download
Other datasheets in the file :
AR0140AT3C00XUEA0,AR0140AT3C00XUEA0-E,AR0140AT3C00XUEAD-E,AR0140AT3C00XUEAH-E
