Part Number : AD8275
Function : G = 0.2, Level Translation,16-Bit ADC Driver
Manufacturer : Analog Devices
Pinout :
Description
GENERAL DESCRIPTION
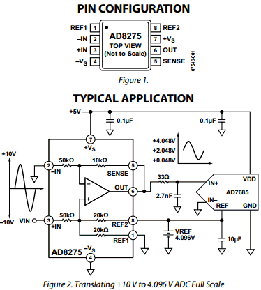
The AD8275 is a G = 0.2 difference amplifier that can be used to translate ±10 V signals to a +4 V level. It solves the problem typically encountered in industrial and instrumentation applic ations where ±10 V signals must be interfaced to a single-supply 4 V or 5 V ADC. The AD8275 interfaces the two signal levels, simplifying design. The AD8275 has fast settling time of 450 ns and low distortion, making it suitable for driving medium speed successive approximation (SAR) ADCs. Its wide input voltage range and rail-to-rail outputs make it an easy to use building block. Single-supply operation reduces the power consumption of the amplifier and helps to protect the ADC from overdrive conditions. Internal, matched, precision laser-trimmed resistors ensure low gain error, low gain drift of 1 ppm/°C (maximum), and high common-mode rejection of 80 dB. Low offset and low offset drift, combined with its fast settling time, make the AD8275 suitable for a variety of data acquisition applications where accurate and quick capture is required.
FEATURES
Translates ±10 V to +4V
Drives 16-bit SAR ADCs
Small MSOP package
Input overvoltage: +40 V to −35 V (VS = 5 V)
Fast settling time: 450 ns to 0.001%
Rail-to-rail output
Wide supply operation: +3.3 V to +15V
High CMRR: 80 dB
Low gain drift: 1 ppm/°C
Low offset drift: 2.5 μV/°C
APPLICATIONS
Level translator
ADC driver
Instrumentation amplifier building block
Automated test equipment
VS = 5 V, G = 0.2, REF1 connected to GND and REF2 connected to 5 V, RL = 2 kΩ connected to VS/2, TA = 25°C, unless otherwise noted.
Specifications referred to output unless otherwise noted.
Datasheet PDF Download
Other datasheets in the file :
AD8275,AD8275ARMZ,AD8275ARMZ-R7,AD8275ARMZ-RL,AD8275BRMZ
