Part Number : AD7922
Function : 1 MSPS, 10-/12-Bit ADCs
Manufacturer : Analog Devices
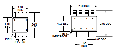
Pinout :
Description
The AD7912/AD79221 are 10-bit and 12-bit, high speed, low
power, 2-channel successive approximation ADCs, respectively.
The parts operate from a single 2.35 V to 5.25 V power supply
and feature throughput rates of up to 1 MSPS. The parts contain
a low noise, wide bandwidth track-and-hold amplifier, which
can handle input frequencies in excess of 6 MHz.
Datasheet PDF Download
Other datasheets in the file :
AD7912,AD7912ARM,AD7912ARM-REEL,AD7912ARM-REEL7,AD7912AUJ-R2
