Part Number : AD590
Function :2-Wire, Current Output Temperature Transducer
Manufacturer : Intersil
Pinout :
Description
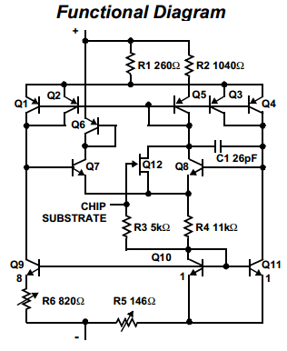
The AD590 is an integrated-circuit temperature transducer which produces an output current proportional to absolute temperature. The AD590 is particularly useful in remote sensing applications. The device is insensitive to voltage drops over long lines due to its high-impedance current output. Any well insulated twisted pair is sufficient for operation hundreds of feet from the receiving circuitry. The output characteristics also make the AD590 easy to multiplex: the current can be switched by a CMOS multiplexer or the supply voltage can be switched by a logic gate output.

AD590 Datasheet PDF Download
Other datasheets in the file : AD590IH, AD590JH

